Robinia liukumäki 0,90m

Tuotetunnus (SKU): RB1291 Osastot: , Tuotemerkki:

Robinia liukumäki 0,90m

3 796,00 

Lisätietoja tuotteesta

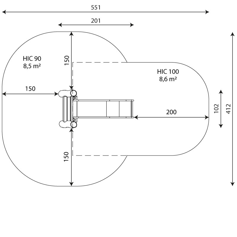
Pituus

2010 mm

Leveys

1020mm

Korkeus

1800 mm

Turva-alue

17,1 m2

Ikäsuositus

2 v

Putoamiskorkeus (mm)

900 mm

Käyttäjien määrä

4

Asennusaika

1,5 h

Perustustapa

Betonointi

Painavin osa

59 kg

Liukumäkien määrä

1

Korkein taso

900 mm

Tasojen korkeudet

900

Kiipeilyelementtien määrä

1

Lataa tiedostoja

Tuotekortti

2D dwg

3D dwg

Nicklas Kaivola

nicklas.kaivola@kiddos.fi

+358 40 834 4556