Rinneliuku 0,90m

Tuotetunnus (SKU): WD1441 Osastot: , Tuotemerkki:

Rinneliuku 0,90m

1 832,00 

Lisätietoja tuotteesta

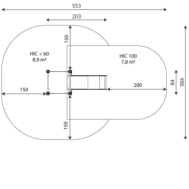
Pituus

2030 mm

Leveys

840mm

Korkeus

1710 mm

Turva-alue

16,7 m2

Ikäsuositus

1 v

Putoamiskorkeus (mm)

<600 mm

Käyttäjien määrä

3

Asennusaika

3 h

Perustustapa

Betonointi

Painavin osa

25 kg

Liukumäkien määrä

1

Korkein taso

900 mm

Tasojen korkeudet

350

Lataa tiedostoja

Tuotekortti

2D dwg

3D dwg

Nicklas Kaivola

nicklas.kaivola@kiddos.fi

+358 40 834 4556