Kierrätysmuovi leikkimökki

Tuotetunnus (SKU): RC0824 Osastot: , Tuotemerkki:

Kierrätysmuovi leikkimökki

5 186,00 

Lisätietoja tuotteesta

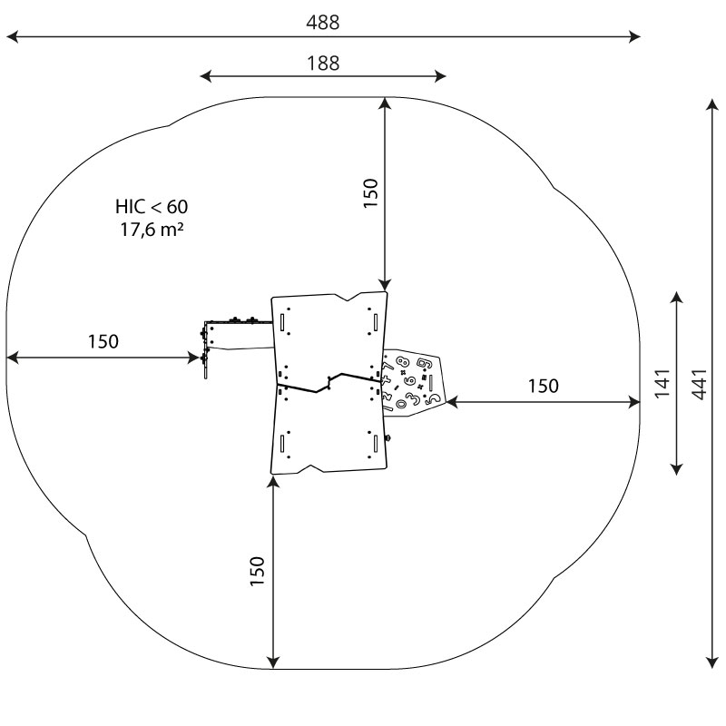
Pituus

1880 mm

Leveys

1410mm

Korkeus

1550 mm

Turva-alue

17,6 m2

Ikäsuositus

1 v

Putoamiskorkeus (mm)

<600 mm

Käyttäjien määrä

13

Asennusaika

3 h

Perustustapa

Betonointi

Painavin osa

16 kg

Toimintoseinien määrä

7

Kattojen määrä

1

Korkein taso

40 mm

Tasojen korkeudet

40

Lataa tiedostoja

Tuotekortti

2D dwg

3D dwg

Nicklas Kaivola

nicklas.kaivola@kiddos.fi

+358 40 834 4556